Technology of production of ultrablack films on conductive metal surfaces
PurposeUltra-black films when applied on metal surfaces can be used as luminous flux sensors operating in ultraviolet, visible and infrared ranges in space equipment, converters of solar energy into heat and in production of solar energy collectors for fluid heat carriers.
Characteristics
Ultra-black films reduce the scattered light intensity in spectral measurement devices (telescopes, rangefinders, night vision devices, monochromators, etc.), thus achieving the reduction of detectors’ noise and increase of resolution and sensitivity of the equipment.
Advantages
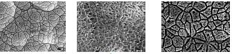
As a rule, in order to reduce the scattered light in optical devices the aluminum surface of their parts is oxidized with addition of black dye into the pores or black paint application. Diffuse reflectance of these surfaces in the visible spectrum range is equal to 5 %.
The developed method of ultra-black films application (combination of electrochemical depositing of nic
kel-phosphorus coating with chemical and electrochemical oxidation of Ni-P in an acidic and neutral media) on various conductive metal surfaces (copper and
its alloys, aluminum and its alloys, titanium, steel, etc.) provides diffuse reflectance at the level of the best world analogue (visible light scattering coefficient of the world's best analogue is
K <0,5%). At the same time it is cheaper, more reliable and surpasses world analogues in a number of technical parameters:
- higher corrosion resistance, wearability and microhardness
- better adhesion to the metal substrate.
Energetics, optoelectronics, space sphere



